
Wetland plant roots are commonly coated with iron oxides, called root iron plaques. Formation of root iron plaques is a survival strategy for wetland plants in anoxic and flooded environments. Root iron plaques provide a barrier for toxic metals and have been shown to reduce uptake of Al, As, Sb, Pb and Zn in rice plants.
A recent paper in Annals of Botany indicates that redox potential is an important factor influencing root iron plaque formation, regulating metal translocation in plants. Previous studies of metal sequestration by root iron plaque induced without consideration of anoxic conditions of the matrix might underestimate root iron plaque functions on metal sequestration in the field. Studies that do not allow for anaerobic conditions during iron plaque formation may under-estimate metal sequestration in wetland plants. To what extent the artificially induced root iron plaques can explain the ‘real story’ of metal retention in the field requires further studies.
Root iron plaque formation and characteristics under N2 flushing and its effects on translocation of Zn and Cd in paddy rice seedlings (Oryza sativa). (2013) Annals of Bot any111 (6): 1189-1195. doi: 10.1093/aob/mct072
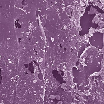
Anoxic conditions are seldom considered in root iron plaque induction of wetland plants in hydroponic experiments, but such conditions are essential for root iron plaque formation in the field. Although ferrous ion availability and root radial oxygen loss capacity are generally taken into account, neglect of anoxic conditions in root iron plaque formation might lead to an under- or over-estimate of their functional effects, such as blocking toxic metal uptake. This study hypothesized that anoxic conditions would influence root iron plaque formation characteristics and translocation of Zn and Cd by rice seedlings. A hydroponic culture was used to grow rice seedlings and a non-disruptive approach for blocking air exchange between the atmosphere and the induction solution matrix was applied for root iron plaque formation, namely flushing the headspace of the induction solution with N2 during root iron plaque induction. Zn and Cd were spiked into the solution after root iron plaque formation, and translocation of both metals was determined. Blocking air exchange between the atmosphere and the nutrient solution by N2 flushing increased root plaque Fe content by between 11 and 77 % (average 31 %). The N2 flushing treatment generated root iron plaques with a smoother surface than the non-N2 flushing treatment, as observed by scanning electron microscopy, but Fe oxyhydroxides coating the rice seedling roots were amorphous. The root iron plaques sequestrated Zn and Cd and the N2 flushing enhanced this effect by approx. 17 % for Zn and 71 % for Cd, calculated by both single and combined additions of Zn and Cd. Blocking of oxygen intrusion into the nutrient solution via N2 flushing enhanced root iron plaque formation and increased Cd and Zn sequestration in the iron plaques of rice seedlings. This study suggests that hydroponic studies that do not consider redox potential in the induction matrices might lead to an under-estimate of metal sequestration by root iron plaques of wetland plants.
